Neubau von 2 MFH mit 22 Wohnungen und Tiefgarage – Waldkirch-Kollnau

Infos

Bauherr Stuckert Wohnbau AG
Standort Kollnauerstrasse, 79183 Waldkirch-Kollnau
Planungsleistungen HOAI Phase 5 und Montagepläne
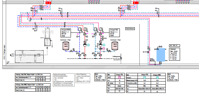
Gewerke Heizung, Lüftung und Sanitär
Planungszeitraum April 2024 bis Juli 2024
Kosten Haustechnik ca. 421.000 € netto
Nutzfläche Wohnungen 1.400 m²
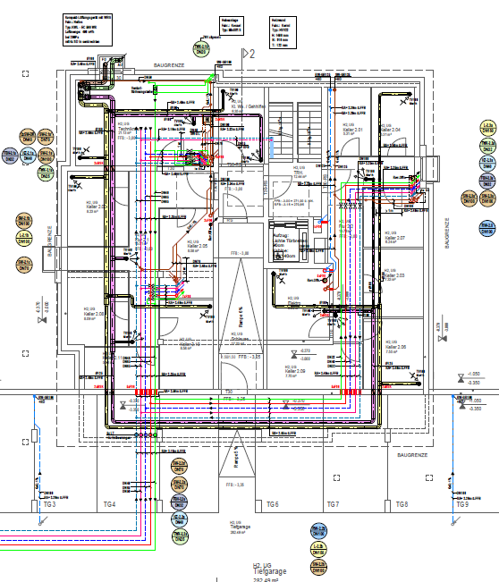
Grundfläche Tiefgarage 730 m²

Beschreibung

Neubau von zwei Mehrfamilienhäuser mit insgesamt 22 Wohnungen und Tiefgarage in Waldkirch-Kollnau, Kollnauerstrasse.
Installierte Heizleistung aus Contracting für 95 kW für die Fußbodenheizung und 555 kW für die Warmwasserbereitung
Installierte Heizung Verbraucher ca. 1.330 m² Fußbodenheizung über 22 Wohnungsstationen
Sanitär Einrichtungsgegenstände ca. 113 Objekte
Installierte Lüftungsgeräte
  • 2 Kompakt-Lüftungsgeräte mit max 400 m³/h und WRG für die Kellerräume
  • 24 Einzelablüfter mit max 100 m³/h für die Sanitärräume